|
Soviet-Era Guitar Effects Field Guide
Last updated 1/1/2026 (Re-organized by Country Of Origin)
By Paul Marossy
The world of Soviet-era and post-Soviet era guitar effects is much larger, far more complex and way more interesting than I realized when I started exploring it about two years ago.
I thought it might be nice to gather some info on all of the classic 70s & 80s Iron Curtain (USSR / CCCP) guitar pedals and put them in one place with pictures, general descriptions and schematics & original instruction manuals when possible. I have a lot more info on some of the pedals shown below but I decided to keep this page more of a simple overview. I spent quite a few hours doing the research to put this page together. It has been very educational!
This page is likely not even close to an exhaustive list of all the effects made in USSR / CCCP time period, but I think it covers about 50 of the most commonly encountered ones, which were manufactured in at least 18 different factories, in six different countries (not counting the ones made in Bulgaria or Poland). It is rather long but hopefully you find it interesting. I tried to organize it by manufacturer the best I could. There's only one manufacturer that
I can't positively I.D. Sometimes the name associated with the pedal is a regional name where the factory was rather than a brand name, like "Kazan" or "Riga" for example. In other cases, such as products made by "Elektronika", there were several factories involved and they were in various different geographical areas. You can sometimes tell exactly where it was made by looking at the last few pages of the instruction manual, if a complete one is available. All artifacts of a planned economy, I guess... which can make it a bit confusing for those of us in the west. In any case, at the header of each "brand" below I indicated the location of manufacture based on the information I could find at the time of creating this page and at the bottom of each section the factory trademark logo/symbol with a little info about the factory.
Many of these devices are great examples of something literally designed by a committee (Design Bureau), mandated to provide consumer goods, that didn't really know much about how the things would actually be used. The majority of the Soviet factories that produced these things existed primarily for the military and defense, not to create things for "consumers", so they were by default out of their element. A few seemed to get it right the first time, such as the "EFFEKT" line made by SAM in Moscow. Others for example, like the SPEKTR-1 (first offering in the "SPEKTR" line of products), were kinda bizarre. Apparently, 95% of the population could not afford these things, so they were for the most part essentially luxury items. This also explains why people in former USSR countries are selling items still new in the box - they simply were never sold to anyone, because no one could afford them. Tangible examples of the failure of a planned economy.
Guitar Effects Made in Soviet-era Russia (USSR/CCCP)
KAZAN (Kazan Plant Of Computing Machines KZEVM)
 |
This is the Kazan "Kvaker". It was the first Soviet-era guitar pedal that I acquired. It uses a unique circuit which does not use an inductor.
It has a Timbre control and a Level control. It's a fun one with a unique sound. It uses germanium PNP transistors. These were manufactured in the late-1970s.
To learn more about it and for access to schematic & instruction manual,
CLICK HERE
.
|
 |
This the Kazan "Vibrato", which is a tremolo. It has a depth control that is controlled by the treadle. There is also a Speed and Level control.
The circuit utilizes a mixture of germanium and silicon transistors. I like this one a lot, it's pretty cool. I don't use tremolo much but I like
the concept this pedal is based on. These were manufactured in the late-1970s.
To learn more about it and for access to schematic & instruction manual,
CLICK HERE
.
|
 |
Here is the Kazan "Booster". It is not we'd call a booster today, but rather a germanium transistor based fuzz pedal.These were manufactured in the mid to late-1970s.
Evidently there was a three transistor version and there is also a four transistor version. I'm not sure why there are two different versions of the circuit.
I attempt to figure that out on my web page linked below. In any case, all that the "treadle" does is switch it on/off. These were available in various colors with silver being by
far the most common, with gold and blue variants being much less common.
For the three transistor version schematic,
CLICK HERE
.
For the four transistor version schematic,
CLICK HERE
.
For details and technical analysis,
CLICK HERE
.
|
|
Kazan is a city located near the Volga River, roughly 400 miles east of Moscow. It is the capital of Tatarstan.
There were several different types of factories in Kazan at the time when these pedals were manufactured. During the course of my research I discovered a discussion on a Russian forum which stated that it was most likely the Kazan Plant Of Computing Machines (KZEVM) that manufactured these pedals, based on the stylized Tulip logo found on the pedal name plates. This plant was in operation from 1954-1994 and was under the control of the Soviet Ministry of Radio Technology.
|
|
However, the symbol for the KZEVM plant that can be found on 1980s "Idel" model reel-to-reel tape recorder (shown at left) does not match the logo on these pedals. I did find, of all things, a webpage about a flashlight that has this tulip logo on the side of the box it came in (dated 1988), which states it was made in factory "Kazan Computer EVM". With this evidence I believe that is indeed where these three pedals were made. So it appears that there was two different logos representing the same factory. It seems the tulip logo was used up to 1988 and the later one was adopted 1988-89. Finally after two years of occasional searching the mystery has been solved! An interesting side note is that apparently in 1960 field engineers from the KZEVM factory, using the first M-20 computer they designed and built, calculated the flightpath for Yuri Gagarin's historic achievement in 1961 - the first man to orbit the earth!
|
SAM (Moscow Electromechanical Plant, Russia)
 |
This is the "EFFEKT-1". It is a fuzz-wah-vibrato with a speed control. It was one of the first successful guitar effects to be released in the
USSR (1977-78). Many units were sold due to being inexpensive as well as the popularity of Jimi Hendrix and similar types of music. The "EFFEKT-1" and the
other two "EFFEKT" products below were developed under the supervision of Alexander Evgenievich Maistrovich.
There was also a
blue version
of the EFFEKT-1. To see the schematic
CLICK HERE
.
|
 |
This the "EFFEKT-3". It is a distortion pedal with a phaser released in 1983.
To see only the schematic
CLICK HERE
.
To see the owner manual (with schematic included)
CLICK HERE
.
|
 |
This is the "EFFEKT-4". It is a fuzz-wah-autowah pedal with an envelope sensitivity control. It was released in 1983 and was apparently
intended for use by bass guitarists. To see the schematic
CLICK HERE
.
|
|
The above pedals were made at the Moscow Electro-Mechanical Plant (SAM). SAM is an abbreviation for "Schetno Analyticheskie Machiny"
(Calculating and Analytic Machines). The factory was located in the Krasnoselskaya area in Moscow, Russia. It's pretty close to the center of Moscow and was located very near to a
large train depot in an industrial part of the city with several factories. Founded in 1923 as an industry that repaired typewriters, adding machines and cash registers.
Later they transitioned to making counting and sorting machines. During WWII they produced over one million
PPSH-41
and five hundred thousand
PPS-43
submachine guns. Post-WWII they started manufacturing computers. The company was privatized in
1994 and came to an end in 2013-2014, culminating in criminal investigations, and most if not all of the factory buildings were demolished.
CLICK HERE
to see the SAM factory as it was in 2010.
|
SPEKTR (Oryol Plant of Control Computing Machines, Orel/Oryol area of Russia)
 |
This is the "SPEKTR-1", a very unusual fuzz-wah-vibrato. It uses a mixture of germanium and silicon transistors and has two types of fuzz. The vibrato speed
and depth are fixed.
To learn more about it and for access to schematics & instruction manual,
CLICK HERE
.
|
|
Oryol is a city located about 200 miles south of Moscow. This factory manufactured radios, control computers and things along those lines as well as various other things made for the masses. The symbol for this factory is shown at left. An individual selling a SPEKTR-1 in Russia said it was made at Oryol plant Number 543. "Oryol" and "Orel" are one in the same on Google Earth.
|
ELEKTRONIKA (Novosibirsk Low Voltage Plant USSR)
 |
This is the Elektronika "Jet Fazer" which is a phaser-vibrato effect with a fuzz section. These were made during the 80s in USSR. The controls are Speed,
Resonance, Distortion and Sustain. The switches have "Phaser", "Vibrato", "Mild" and "Rough" positions.
To download the schematic only
CLICK HERE
.
To see the instruction manual (minus schematic)
CLICK HERE
.
|
 |
This is the Elektronika "PE-05 Flanger". The controls are Depth, Speed, Delay and Resonance.
These seem to be rather hard to find. To see the schematic
CLICK HERE
.
|
 |
This is the Elektronika "Fazer-2" which is a germanium transistor based phaser/vibrato pedal. The switch selects between the Phaser
and Vibrato. Controls are Speed and Resonance (depth). There is a trim pot on the side that can be accessed with a flat head screwdriver
which affects the tone. It is said to have a very nice warm tone.
To see the schematic
CLICK HERE
.
|
 |
This is the Elektronika "Compressor-Sustain(er)" which not so obviously is a fuzz pedal with some options rather than a proper compressor pedal.
The "Sharp" switch gives a more extreme hi-gain mid frequency fuzz, keeping in tradition with Soviet fuzz pedals. The two controls (from left to right) are
Distortion (gain of the fuzz) and Sustain (amount of sustain). These seem to be very hard to find. To see the
schematic
CLICK HERE
.
|
 |
This is the Elektronika "E-01 Equaliser". This is allegedly a parametric EQ, not a graphic EQ and is quite effective. There are six control sliders
which include level, and five frequencies: 64Hz, 250Hz, 1000Hz, 3500Hz 125000Hz, each adjustable by +/- 12dB.
It was offered in a blue or orange enclosure (possibly other colors as well). Apparently it requires a special external dual voltage power supply of 15V DC & 30V DC.
There was also a stereo version of this which is basically like two of these stuck together. To see the schematic
CLICK HERE
(link currently inactive).
|
 |
This is the Elektronika "E-02 Dual-Channel Equaliser". Not too much else to say about it, same features as the E-01 Equaliser. This one is a bit
unusual for this time period because it has two channels. Also is apparently a parametric EQ. I have also seen these with a blue enclosure (there may be
other colors as well). It has an internal power transformer with a 220V primary.
To see the schematic
CLICK HERE
.
Still looking for a higher quality schematic on this one. This will at least give an idea of
the circuit topology.
|
 |
This is the Elektronika "Synchro Wah". It's a very unique autowah that is quacky and whooshy sounding. There are examples with blue, orange or
green enclosures. The controls are Attack and Accent. To see the schematic
CLICK HERE
.
|
 |
This is the "SPEKTR-2", a fuzz-wah. It uses a pair of toggle switches that poke thru the treadle to turn on/off each function. To see the schematic
CLICK HERE
.
|
 |
This is the "SPEKTR-3". It is a fuzz-wah-autowah with similar features to the SPEKTR-2. One of the treadles controls the volume and the other
one is for the wah function. To see the schematic & instruction manual
CLICK HERE
.
|
 |
This is the "SPEKTR-4". It appears to be a SPEKTR-3 minus the volume pedal but at this point in time remains unverified. To see instruction manual and schematic,
CLICK HERE
.
CLICK HERE
to see the SPEKTR-3 and SPEKTR-4 in a consumer catalog from 1981.
|
|
In WWII this factory, then called Factory No. 188, was producing munitions for the war effort. One curious thing about
the Elektronika product line is
that the same pedal can be found in three or four different colors. I'm not sure if that was by design or if it meant that a certain colored one meant that it was
made at a specific factory. Design-wise, they were pretty sophisticated for the time, using silicon transistors and various IC chips. Allegedly the Soviets
created the DA____ series IC chips for use in tape recorders, which can be found in some of the Elektronika product line and it is said that is why Soviet flangers
are quieter than their western counterparts. Elektronika guitar pedals seem to have been one of the most ubiquitious "brands" in the USSR. Most of these
pedals were offered in the early part of the 80s with a few of them being produced very shortly before the collapse of the Soviet Union.
|
VOLNA ELEKTRONIKA (Novosibirsk, Russia)
.jpg) |
This is another very unusual and definitely rare pedal, the "Volna Autowah". It has a very unique and distinctive sound. I understand these were
manufactured at the Novosibirsk Electromechanical Works, in Novosibirsk, Russia. To see the
instruction manual and schematic
CLICK HERE
.
|
 |
There is also a phaser pedal called "Spectrum". Apparently this is an extremely rare bird even in Russia!
CLICK HERE
for the instruction manual and schematics.
|
|
Interestingly, the factory symbol on the nameplate found on the side of these devices indicates that they were made by Elecktronika
(see Elektronika section above). It seems that perhaps the association with "Volna" is incorrect as the Elektronika factory was located in Novosibirsk, which is
about 2,000 miles northeast of Volna. "Elektronika" was a Soviet umbrella trademark for various consumer electronics and computers, and was under the control
of / directed by the Ministry of Electronic Industry. Kind of a weird setup to those of us in the free market capitalist west. In any case, these are very interesting devices.
|
FORMANTA (Sverdlovsk/Kachkanar, Russia)
 |
This is the "LEADER-1", which is a "guitar micro-synthesizer".
It has four effect sections, as follows;
Mixer: Guitar Level (dry signal), Sub-Octave, Octave and two "Rock Tones" (distortion).
Phaser: Depth and Frequency.
Controlled Filter: Start, Stop, Speed, Level and Resonance.
Modulator: Attack, Threshold and Attenuation.
It operates on a 220V power supply. They were manufactured in the 1980s and can create a lot of interesting sounds. To see the
instruction manual and schematic
CLICK HERE
.
|
 |
This is the "LEADER-2", which is a "guitar micro-synthesizer".
It has five effect sections, as follows:
"Tone Corrector", Flanger, Chorus, Solo, Rhythm
It operates on a 220V power supply. They were manufactured in the 1980s and can create a lot of interesting sounds. To see the instruction manual and schematic
CLICK HERE
.
|
 |
This is the "ESKO 100", which is a Tape Delay + Fuzz/Vibrato/Octaver/Flanger. Wow that's a wild one! It utilized a tape delay circuit.
It was apparently made in the early to mid-80s or so. It's capable of many interesting sounds which are actually quite musical.
To see the schematics
CLICK HERE
.
There apparently was also a digital delay version of this unit, with the tape delay section omitted.
|
 |
This is the "Artron ME-01", which is another "guitar micro-synthesizer". The one pictured is said to have been made in 1981.
Controls and features of the four main effect sections are as follows:
RHYTHM/SOLO section: Guitar, Rock Tone, Spectrum and Turbo; COMPRESSOR section: Level, Attack, Restoring and Output;
REVERB section: Level and Echo; CHORUS section: Balance, Brightness, Amplitude and Rate; OUTPUT section: Amplifier On,
Output (Effect, Scale - min\max) and Turbo On.
Indicators are Control, Overload and Effect. Connections are Line Input and Output (Line, Phone, Amplifier). Dimensions
are 420 x 360 x 115mm. Weight is approx. 5 kg. Pretty sure this one also operates on 220V.
That's all the information I have about it at this time.
|
|
The products offered by Formanta were the most sophisticated guitar effects I have seen from the USSR during the 1980s. Formanta
is also well known for the "Polivoks" synthesizers made from 1982 to 1990. The factory was located in the Sverdlovsk/Kachkanar area, in central Russia. It's approximately 500 miles northeast of Kazan. Unfortunately these devices are powered by 220V, so to use here in the USA you would need a transformer in order to use them.
|
Volga Electronic Computing Equipment Plant (Volgograd region; Volzhsky, Russia)
 |
This is another very unusual and positively rare pedal, the "TEMBRE-6". It definitely looks like a 70s creation and it almost looks
like a toy, but despite how it looks, it uses a
cast metal enclosure.
In a way it's kinda cool. It is also weird in that it needs an
external power supply unit
in its own plastic & die cast enclosure. It utilizes an
incandescent light bulb & dual LDR combo,
which is for the wah function (although if one of these is bad it also affects the output of the fuzz circuit).
It appears that the treadle moves a device which varies the amount of light hitting the LDRs. There is also an auto-wah function and vibrato. The date
codes on the pots are from 1980.
You'll likely never cross paths with this one but it's included here for posterity. In fact, the serial number on this unit is
001. Perhaps it is a one of kind prototype? It was apparently advertised in "Radio magazine" in the New Products section in either the late-70s or
the early-80s, but it's not clear if it's something that actually ever went into production.
|
|
This device is said to have been made in a military factory in Novomoskovsk. This contradicts the logo on the
nameplate riveted to the bottom of the enclosure (shown at left), which corresponds to Volga Electronic Computing Equipment Plant. This is in a different region. I think they
are just wrong about that. I often see this in descriptions of things for sale: "made in military factory at such and such place". It's half true as many (most?)
factories served dual purposes: one being manufacturing consumer goods and the other, things for the military. Unfortunately this adds to the confusion of
trying to determine exactly where something was manufactured as the military side of the factory was called one thing, and the factory that made civilian products another. So
two different factory names referring to the same factory.
|
Kimovsky Radio Engineering Plant (Novomoskovsk, Tula region of Russia)
 |
Here is another unusual and positively very rare pedal, the "TIMBRE-1". The user manual calls this one an "opto-electronic timbre modulator".
It appears to be an opto-coupled wah pedal, and there is no potentiometer.
HERE
you can see the opto-coupler arrangement and the PCB.
HERE
is the schematic. The parts list is not real legible but at least that will give
you an idea of the circuit topography. The circuit utilizes three MP40A germanium transistors. Another odd thing about this one is that it
apparently requires a pair of batteries - one 9V and a special 4.5V battery for the light bulb. In any case, it is said to be mild sounding,
not having a very strong wah wah effect but it does have a unique yet rather familiar sound. I'd say it's sort of like an autowah that you control manually.
CLICK HERE
to get an idea of what it sounds like.
|
|
This device is said to have been made in a military factory in Novomoskovsk. The factory
"trademark" logo shown at left is what is inkstamped in white on the bottom of the enclosure (minus the circle). This plant was founded in 1964 and was referred to
as "Plant Impulse". It is still in operation today producing radar, radio navigational equipment and radio remote control devices. The Tula region is also famous for
the Tula Aresnal, manufacturer of Russian firearms of WWII and Cold War era.
|
Cheboksary Electric Actuators Plant (Cheboksary, Russia)
 |
This is an interesting one that I stumbled upon while perusing Russian guitar
forums. It is the "PME-1 Musical Effects Control". This appears to be an inductor based fuzz / wah wah / volume pedal. It has a toggle switch on the
side which selects between wah and volume mode. The fuzz level control (I assume) is like the tuner on a transistor radio. I also looks somewhat like a
sewing machine pedal. The enclosure design is somewhat like the Farfisa wah/volume pedal featured on my website. I doubt I'll ever find a schematic for
this one but I'll keep hunting.
|
 |
Here is a view of the bottom, showing the battery access and attached name plate. The enclosure is heavy duty aluminum, and according to the manual, it
can withstand 80 kG. The toggle switch is apparently a 3-position type. It appears that it may there may also be an auto-wah function too. Without the user
manual to refer to it is hard to say for sure.
|
 |
Here is the name plate up close. This example was made in 1976. A hole is provided to enable adjustment of a trim pot inside, which is labeled as
"duration". This adjusts the intensity of the fuzz. In this regard, it reminds me a bit of the SPEKTR-1 with its four trimpots accessed from the bottom
of the unit.
|
 |
With the bottom removed we can see the circuit board. The pot next to the switch is controlled by the thumbwheel on the side. At far right is the pot for the wah wah / volume fuctions.
The large thumbwheel can be easily seen here.
|
 |
Turning the circuit board over reveals the components. Towards the center is the rather large inductor. I wonder what that measures.
|
|
Cheboksary is a city located in the Volga Upland region of Russia and is on the shore of the Cheboksary Reservoir.
Apparently this city has been around since the 1400s! The population is about 60% Chuvash (Tatar) and 40% ethnic Russians. Cheboksary seems to be associated with building machines and mechanical engineering. It's interesting that this device seems to have more in common with radios than anything else, due to that thumbwheel arrangement. So interesting is the variation in designs between the various factories!
|
VNIIPRA (Moscow, Russia)
 |
This is an interesting little passive mixer named "Mix Hero" that is said to have been manufactured in Leningrad, Russia (which is incorrect). Specifically,
it is said to have been made at the
"VNIIPRA" military factory in the early to mid-80s. This example is actually dated 1976. It has three inputs, three volume controls and one output. It seems
like it may have been intended to be used in a music education environment but it could have had other uses as well. To see the
instruction manual and schematic
CLICK HERE.
|
|
There is not much info to suggest where this was made specifically but stamped into the metal bottom cover is
"Plant N2373", which follows the new factory numbering system implemented by the KGB some time between 1965 and 1968. On an example from November 1980 the factory is
referred to as "N 134". Some plants in Moscow were at one time referred to as "VNII" or "NII" something, so the term "VNIIPRA" suggests to me that this was actually
made in a Moscow factory and not in Leningrad (today St Petersburg). Factory 134 was located in Moscow, and it was apparently a stamping and enameling plant.
|
Guitar Effects Made in the Former Socialist Republic of Ukraine
POLTAVA / LTAVA (Poltava Electromechanical Plant; Ltava / Poltava, Ukraine)
 |
Here is the "Poltava", which in the west is a more well known fuzz-wah-vibrato. It's capable of some nice sounds.
These were available in a few different colors; the least common
variant is shown here. The vibrato (tremolo) has a speed control. These were manufactured in the very late 70s/early 80s. To see the schematic
CLICK HERE
.
|
 |
Here is the "Ltava", which seems to be a hot-rodded Poltava with some additional features. It appears these were also offered in a
few different colors.
To see the schematic
CLICK HERE
.
To see the component layout
CLICK HERE
.
|
|
Poltava is a city in Ukraine about 80 miles west of Kharkiv. Ltava is in this same area. The Poltava and Ltava were both
made in the same factory. The logo at left is what can be found on the baseplates of both pedals. This is the symbol of the Poltava Electromechanical Plant, which was
founded in October 1947.
|
ELEKTRONIKA (Kherson Regional Production Plant, Ukraine)
 |
This is the Elektronika "FL-01 Flanger". It's a table top unit similar in function to the Venta Elektronika "PE-11" but is powered by an external power source (220V)
rather than batteries.
To see the schematic
CLICK HERE
.
|
 |
This is the Elektronika "EG-10 Equaliser". It is another table top type unit in a similar format to the FL-01 Flanger. It is also powered by an external
power source (220V). It has 10 bands: 31Hz, 63Hz, 125Hz, 250Hz, 500Hz, 1kHz, 2kHz, 4kHz, 8kHz & 16kHz. I don't know if it's a graphic EQ or a parametric EQ.
To see the schematic
CLICK HERE
. (Link currently inactive)
|
|
The symbol at left is what can be found on the nameplate on the bottom of these devices. This is the trademark
logo for the Kherson Regional Production Plant in Dnipro, Ukraine which was established in 1956. The factory used this symbol from 1969 to 1990. It primarily
produced semiconductors.
|
ATLANT (Svetlovodsk Kalkuliator Works, Ukraine)
 |
Here is the "Atlant", which translates as Atlas. It is another very unusual and apparently quite rare fuzz-wah-volume pedal. I don't have much info on
it at this time but the controls are a little
unusual. There are two pots which are controlled by your foot, by sliding your foot on the ribbed "spindles" to turn them. Inside there is a gear attached to
the potentiometers that turn a numbered gear which appears thru a window on the top, which indicates what setting you have it on. You can see that here
HERE
. These control the fuzz sensitivity and tone.
The three "keys" at the top are very similar to the SPEKTR-1; you press them and it actuates a switch which is mounted on a bracket below these "keys". Big die cast
enclosure built like a tank - it weighs 12 lbs! Apparently it operates on 12 volts. Still searching for a schematic on this one.
|
|
This mysterious device was made by a factory located in Kirovograd region of Svetlovodsk. I'm not sure if this was made
in the same factory(ies) as the "Atlas" brand name known for manufacturing refrigerators and similar appliances. Looking at the construction and design of it, I tend to think it's possible.
This factory is also referred to as "Svetlovodsk plant Calculator".
|
ESTRADIN (Ukraine)
 |
Here is the Estradin "EFFEKT-1" Flanger. It operates on 220V and has Frequency, Shift and Brightness controls. It is
reported to sound something like the ElectroHarmonix "Electric Mistress". This example was made in 1987.
To see the schematic and component layout
CLICK HERE
.
|
 |
Here is the Estradin "EFFEKT-2" Phaser. It operates on 220V and has Frequency, Balance and Brightness controls. This example was made in 1990.
To see the schematic and component layout
CLICK HERE
.
|
|
Estradin made some cool looking pedals.They look modern and certainly much more conventional than some of
the kinda bizarre pedals from the late 70s & early 80s. Unfortunately they would be difficult to use in the USA due to how they are powered, via an internal
power transformer with a 220V primary. The Zhytomyr
plant "Electroizmeritel", in Ukraine, produced a wide variety of electrical appliances for both civilian and military purposes. Apparently production of these pedals
continued on for a short time after the collapse of the Soviet Union. I believe the factory was located in central Ukraine.
|
ELITA (Ukraine)
 |
This is the Elita "Ekspromt" compressor-sustainer. The drive section has Drive, Tone and Level controls. The compressor section has Sustain and Level
controls. Each section can be turned on/off independently. The "compressor" is said to have quite a long sustain. Looking at the inside of
the pedal there appears to be an LDR/LED combo inside, along with several IC chips. It operates on 15V DC.
These were made in the late 80s up to about the early 90s. The example shown here is from 1993. Still hunting for a schematic on this one.
|
 |
This is the Elita "Quasichorus". This stereo chorus has four controls: Frequency, Depth, Delay and Brightness. It is unique sounding, with two outputs which are out
of phase with each other. It operates on 15V DC. These were made in the late 80s up to the early 90s.
To see the schematic and component layout
CLICK HERE
.
|
|
Elita also made some really cool looking pedals. These were also made right around the time of the collapse of the USSR. Production continued on until 1993 or so. They look modern and certainly much more conventional than some of the kinda bizarre pedals from the late 70s & early 80s. The logo on the top side of the enclosure is still used by the present day business called Electrovimiryuvach, in Ukraine. This Zhytomyr plant, in English "Electric Meter", was founded in November 1956 on the squares of a former theological seminary, the buildings of which were destroyed during WWII.
Fortunately these pedals are much easier to use in the USA due to having a DC jack, but they require an unconventional hard to find long plug (2.5mm) which is somewhat similar to the old DOD 1/8" tip positive plug. It shouldn't be too difficult to replace with another type of jack - the tricky part of it is that they require 15 volts although I have read they will operate on less, and doing so also makes them a little quieter.
|
SOD (MC "Zvezdny" Sevastopol, Ukraine)
 |
This is an interesting one that I have very little info about. It is an IC based
distortion unit which was available 1990-1991. Apparently it is called the "SHH". Google translates the title of the user manual as Youth Center "Star".
The owner of this pedal said he bought it from a Lugansk, Ukraine music store in 1991. The
front edge of the enclosure has a large "SOD" marking in white. Top row of knobs are Gain, Color and Volume. The bottom row of knobs are Drive, Tone and Volume.
I don't know anything about the circuit topology but I can guarantee that it's not a copy of anything from The West. The controls suggests that it's a two stage
circuit with one stage driving a second stage.
|
 |
Here is a view of the rear showing the 5-pin input and output jacks. I like the
white on black with chrome knobs. The
wiring
in this thing is a rat's nest but milspec components can be seen on the PCB. Another interesting aspect of
this one is that the user manual says it is a "joint
production of MC 'Zvezdny' and Military
Unit 90253". Apparently this type of colloborative arrangement was a common scenario just prior to the collapse of the Soviet Union.
|
|
I don't have any info about this factory referred to as MC "Zvezdny" but likely very few of these units exist.
Sevastopol is the largest city in the Crimea area. This picturesque city was founded in 1783, and it has always been a place of stategic importance. It was an
important port and naval base for the Soviets duing the Cold War, and at that time was a closed city.
|
Guitar Effects Made in Former Socialist Republics of the Soviet Union
RIGA (Made in Riga, Latvia)
 |
This the "Anita" fuzz-wah pedal which has a Level (fuzz) and Volume control. This circuit uses an inductor. To see the schematic
CLICK HERE
.
This and I believe the whole product line offered by "Riga" were manufactured in the very late 70s/early 80s.
|
 |
This is the "Anta" fuzz. It's a straight ahead silicon transistor based fuzz pedal with a Level (fuzz) and Volume control. To see the schematic
CLICK HERE
. As with the Viola, all that the "treadle" does is switch the effect on/off.
|
 |
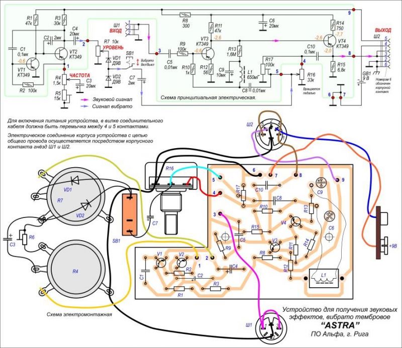
This is the "Astra" wah-autowah-vibrato which has a Frequency and Level control. It is a silicon transistor circuit which uses an
inductor. There was a red version as well. To see the schematic
CLICK HERE
.
|
 |
This is the "Inga" fuzz-wah, which utilizes an inductor and has a Level (fuzz), Volume and Timbre (tone) control. To see the
schematic
CLICK HERE
.
|
 |
This is the "Inta" wah pedal, which is just a straight wah pedal with an inductor. To see the schematic
CLICK HERE
.
|
 |
Here is the "Vita" fuzz/wah pedal. It has a Level (fuzz), Volume and Timbre (tone) control. I believe the treadle controls the
"wah wah" effect.
There is an orange version as well. To see the schematic
CLICK HERE
.
|
 |
Here is the "Viola" compressor-sustainer which uses a special IC chip. It has a Volume and Level control. All that the "treadle" does is turn the
effect on/off.
To learn more about it and for access to schematic & instruction manual,
CLICK HERE
.
|
 |
This is the Elektronika "B12-011". It is a multi-FX unit which has a wah, vibrato, phaser and compressor. To see the
schematic
CLICK HERE
. To view the user manual
CLICK HERE
.
Note that even though it is labeled as "Elekronika" brand it was actually made at the Riga factory. The Riga
factory logo is on the user manual so there's no doubt about it.
|
|
Riga is a city located in Latvia just below the Gulf Of Riga, which is part of the Baltic Sea. It took some serious searching but I have finally determined that manufacturer of these "Riga" guitar effects was the Rizhsky Semiconductor Device Plant, based on the unique square trademark logo that is stamped on the baseplates. This
factory is referred to as "Alpha" on the instruction manuals that accompanied these various pedals.
|
RIGA State Electrotechnical Plant "VEF" (Made in Riga, Latvia)
 |
This is a Fuzz-Wah-Autowah pedal that I found on a Russian guitar forum. It's weird and obscure enough that I had to add it to
this page, well because it just belongs here! The seller said it was experimental and that it was commissioned by
CHX. CHX is the Council of the National Economy, Latvia SSR VEF Plant 1961. The posters at the forum believed it was likely made in 1964
but I seriously doubt that. I believe this example is from either the late-1970s or the early-1980s.
|
 |
I don't know what the controls are but those are the weirdest toggle switches I have ever seen. The toggles are essentially long screws with an end cap!
I have no idea if these were ever mass produced. It does not seem likely. Perhaps it is a proof of concept?
|
 |
Here is a view of the inside. It looks to be a rather flimsy sheet metal enclosure. There are two PCBs, one appears to be for the
fuzz section and the other one for the wah/autowah section. The transistors I believe are all germanium types.
|
|
At left is the trademark logo on the nameplate on the bottom cover. This represents the Riga State Electrotechnical Plant "VEF", which was established in 1919. Originally this was the main workshops of
the Posts and Telegraphs Administration (PTVGD). From 1928 on it was State Electrotechnical Factory "Perkons". From 1932 on it was State Electrotechnical Factory (Valsts Elektrotehniska Fabrika) "VEF". From 1940 on it was known as the State Electrotechnical Plant "VEF". From 1941 on it was a branch of the German company AEG. In 1944 it once again became State Electrotechnical Plant "VEF". In 1969 the State Electrotechnical Plant "VEF" was named after/for V.I. Lenin. From 1998 on it was known as JSC "VEF Radiotehnika RRR". How's
that for a complicated history?!
|
VENTA ELEKTRONIKA (Vilnius City, Lithuania)
 |
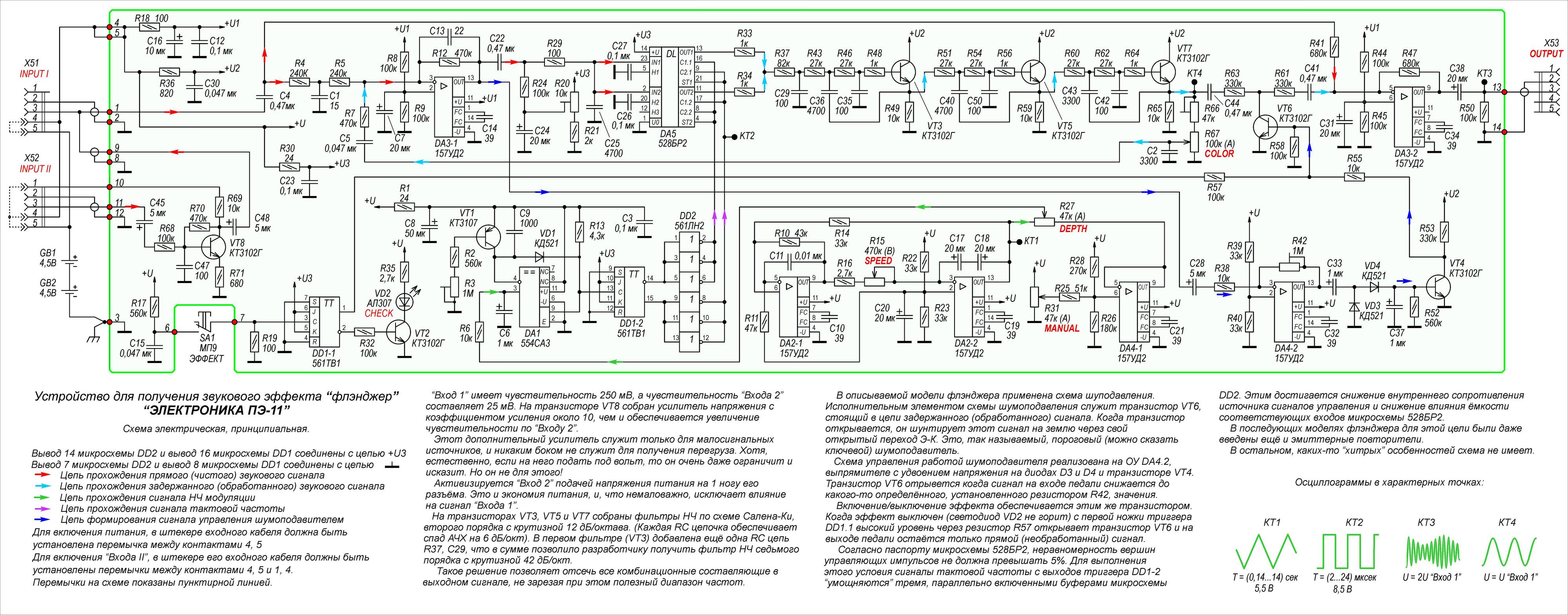
This is the Venta-Elekronika "PE-11 Flanger". This red plastic tabletop type unit is powered by a pair of
4.5V "planet batteries"
, which are essentially three AA batteries in one package. It sounds pretty good... seems to be on
par with the ADA Flanger. It appears these were manufactured in the mid to late-80s. To see the schematic
CLICK HERE
.
|
 |
This is the Venta-Elekronika "Overdrive". This one appears to also use a molded plastic enclosure. The controls are slider type pots. They are Level, Cut, Brightness
and Limitation which suggests it has a built-in compressor. It's an interesting one. To see the schematic
CLICK HERE
. I suspect there are other pedals using this format in the product line but this all I have found thus far. I'm
guessing these are from the same time period, mid to late-80s.
|
|
This factory was established in 1962 and was located in Vilnius, Lithuania. This was their logo 1987-1989. Their main enterprise
was microcircuits, electronic components and various kinds of electronic equipment.
|
"SIGNAL-1" (Signal Plant, Moldava SSR)
 |
Here is the "SIGNAL-1" phase shifter. This nice sounding phaser I think is truly a very rare Soviet-era guitar effect.
I like the way it looks. The switches are not very heavy duty and are the same odd 12-pin DPDT push button switches that were used
in the Univox Uniwah, SPEKTR-1 and some Elektronika pedals. Most examples I have seen date to 1982.
There was also a
grey version
of the SIGNAL-1.
To see the schematic
CLICK HERE
.
Still looking for a higher quality schematic on this one... not sure I'll ever find one but I'll keep trying! This will at least give an idea of
the circuit topology.
|
|
Verifying where this was made was a challenge but I did find a post in a Russian forum that answered my
questions. This phaser pedal was made in Plant "Signal" in the capital city of Moldava, Chisinau. This factory was established in 1961. The focus of operations was mainly on
military communications systems, but they also occasionally produced consumer goods. In 1992 operations were suspended due to lack of orders. In 2011 a fire occurred in the
former workshops resulting in the demolition of the former enterprise. In 2017 the factory was demolished. It was planned to be replaced with a multi-story residential building.
In addition to making the "SIGNAL-1" phaser this factory also produced a keyboard called "SONOR". Beginning production in 1986, about 300 of them were produced before the fall
of the Soviet Union. They also made two models of computers named "SINTEZ" around 1990, and they produced some children's toys as well.
|
Soyuz / Union (Tiraspol, Moldova)
Here is another line of kinda cool looking guitar effects that is a bit mysterious and seems to have a bit complicated story. Due to the time period in which these
devices were made, it appears to me that the Soyuz branded products came first and then after the collapse of the USSR they were re-branded as Union. I have found some
info that determined the Soyuz products were from 1989-1993 time period. I don't know exactly what the product line was but I've seen the Chorus in yellow, blue and grey.
Apparently there was a Distortion and Compressor pedal as well. It is difficult to navigate this one in the same way that Polish KOD & KODA products are. Cosmetically and
form factor-wise, these are somewhat similar to the "Trio" line of pedals from the mid-1990s, which in turn seem to be modeled after some of the ElectroHarmonix enclosures that
had a sloped top. The more I dive into this one the more questions I have.
|
Interestingly, these pedals do not have the normal trademark logo somewhere on the pedal other than on the top of the
enclosure. In the lower right corner of the picture above, we can see that in lieu of the trademark logo on the bottom there is simply sticker which says "Joint Venture" &
"Tiraspol". Joint venture would indicate a colloboration between military and civilian entities to create the product.
|
UNION (Tiraspol, Moldova)
In the picture below we can see what looks like a Soyuz "Hard Rock" pedal but is now branded as Union. I have also seen a compressor as well. This is why
in the section above I surmised that Soyuz became Union sometime after the collapse of the USSR. To the right of that we can see that the design has been changed
from a sort of ElectroHarmonix style enclosure to basically blatant copies of USA manufactured DOD pedals. They look so much alike that you might mistake a Union pedal
for a DOD pedal until you look closer. There seems to have been two different production runs. The examples pictured below are I believe from the first production
run ca. 1989-1990. I do not know exactly what the product line is but there seems to be a lot of different ones. The later production run had the enclosures as bare metal with
only a sticker applied to the top, and have a little different look to them. Probably from the mid-90s.
As a side note, I found something a little disturbing in my research. Some of these examples, I assume made by Union, are essentially cosmetically and design-wise
exact copies of DOD pedals and are actually labeled as such (but I don't know about the circuits themselves). Even the labels on bottom look the same and say "Made In USA".
When you look at the circuit boards it becomes apparent that they are fakes because the board is populated with Russian components and the numbers on the PCBs do not match the
model numbers on the enclosure. So back in 1989-1990 or so there was an attempt at counterfeiting USA made products
before China became the king of counterfeits. Anyway, these were apparently for sale in Moscow in 1990. So far I have seen an FX55B "Supra Distortion", an FX85B "Blue Metal",
an FX86B "Super Over Drive" in two different colors and an RS67 "Rock Master". What's interesting about this is that it is a departure from the norm, where each factory
independently came up with their own designs.
|
At left are the two different logos found on the bottom of these DOD-style Union pedals. The circular one is found
on the earlier production units and the other one on the later production units. Interesting back story on this one. I guess maybe they were trying to get an edge
during Perestroika?
|
Guitar Effects Made in Warsaw Pact Countries (Subject to Soviet Military)
TESLA (Czechoslovakia)
 |
This is the "Tesla AYZ 025". It is a very good sounding fuzz-wah with some interesting features, one of them being a frequency doubler. To see the schematic
CLICK HERE
.
|
 |
This is the "Tesla AYZ 026". It appears to be an inductor-based fuzz-wah-volume pedal with different features than the AYZ 025. The two controls on the
side are "Volume Level" and "Bat Man", which I think is a gain control for the fuzz section. To see the schematic
CLICK HERE
. Still looking for a little higher resolution schematic on this one.
|
 |
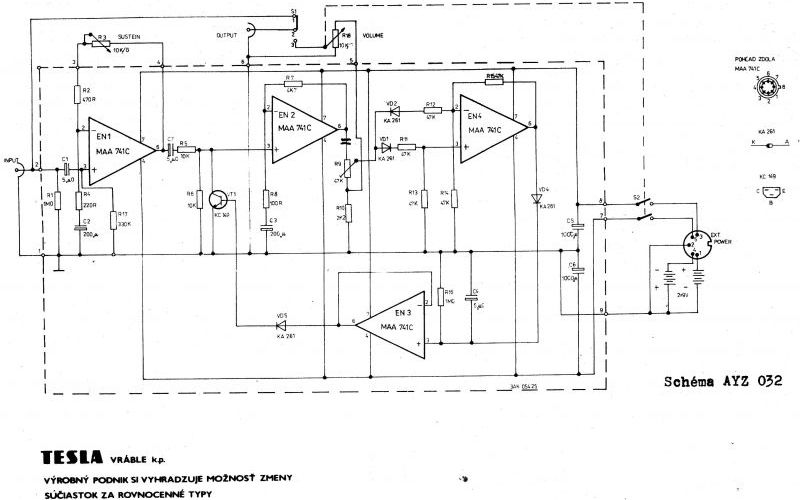
This is the Tesla "Compressor-Sustainer" (AYZ 032). It is a compressor-sustainer pedal. To see the schematic
CLICK HERE
.
|
 |
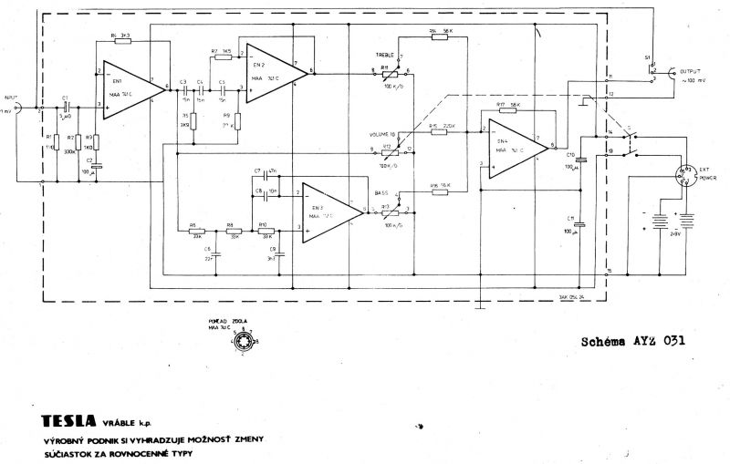
This is the Tesla "Attack Equalizer" (AYZ 031). It is a 2-band EQ pedal with a Bass, Treble and Volume control. To see the schematic
CLICK HERE
.
|
 |
This is the Tesla "Equalizer" (AYZ 030). It is a 5-band EQ pedal with 80Hz, 200Hz, 500Hz, 1.5kHz & 4kHz frequency controls, and a
Volume control. I don't have any other info on it at this time.
|
 |
This is the Tesla "Over Drive" (AYZ 033). It is an overdrive pedal with a Overdrive and Volume control. It appears to operate on a 9V battery.
It is said that it sounds similar to a Boss OD-1. To see the schematic
CLICK HERE
.
|
|
The formal name of this manufacturer today is TESLA a.s. and was/is headquartered in Prague. The company was established as Elektra in 1921 and renamed Tesla in 1946. Allegedly TESLA is an abbreviation from TEchnika SLAboprouda, which means "low-current technology". It appears that these pedals were manufactured
a few years before the collapse of the USSR, so late 80s time period. TESLA manufactured various other electronic appliances and was in operation in that format from 1946 to 1991, at which time the business was privatized. There a few other products not shown here: AYZ-020 Volume-Booster, AYZ-026 Wah Booster and the AOS 192 "Studioecho-A".
|
Milin Kamuk (Vratsa, Bulgaria)
There are some interesting and cool looking 3-knob guitar effects called "Milin Kamuk" which were made in Bulgaria beginning around 1983 and were manufactured up to 1989-90. These seem to be even more unlikely to be encountered by anyone living in the west but they do come up for sale on occasion. There are mixed reviews on these pedals. I am aware of four different pedals. There may have been a few more. I have a schematic only for the Compressor. Click HERE to view. The trademark logo is easily seen on these units. This factory also manufactured electric guitar pickups.
|
At left is the trademark logo of Milin Kamuk. Milin Kamuk is the name of a mountain peak in the Vratsa Oblast region of Bulgaria. This enterprise was located in Vratsa, Bulgaria. Vratsa is the largest city in
northwestern Bulgaria. It is much more well known for its caves, waterfalls and rock formations than guitar effect pedals. It is not known as a place that produced electronics. Rather
it was more well known as a place of mining, metal casting, metal working, machine building (lathes, etc), textiles, furniture making and food processing. That being said, Vratsa seemed to be a major economic hub in Bulgaria.
|
EXAR Electronix (Ostroleka, Poland)
EXAR was started by Wojciech Jaruzelski in 1983 and was still in operation in 2015. Seems the company is now defunct. Their website was up until about 2020 but is gone now (www.exarelectronix.com). They offered fifteen different products around 1989-1995: AD-1 Delay, CP-1 Compressor, CS-1 Chorus, DQ-1 Doctor Q, DS-1 Distortion, EF-1 Envelope Filter, FL-1 Flanger, GE-1 Graphic Equalizer, MT-1 Metal, NG-1 Noise Gate, OC-1 Octaver, OD-1 Over Drive, PH-1 Phasing, PH-2 Phasing and the TM-1 Tremolo.
Externally, these look similar to 1980s DOD products. A few of these are shown below. There was a couple different versions of graphics, depending on when made and how many knobs there are. The trademark logo is easily seen on some of these units. I kinda like how these look. The pedals shown below are from series 1 and series 2, manufactured between 1989 and 1995. The products made at the very end of the EXAR's existence look similar to Behringer, but the graphics are much more interesting. If you do a search on Reverb you can see what those looked like. There are also some products which were in an MXR type enclosure, such as the "Phasing" unit (allegedly the first EXAR pedals used this format). I think this shows that countries like Poland were not in quite the vacuum that Russia proper and its socialist republics were in when it comes to anything from The West.
|
|
At left are the early and late trademark logos of EXAR Electronix. They were located in Ostroleka, Poland. This small city which is about 60 miles north of Warsaw has been around since medieval times.
Their warranty was impressive. According to their website: "EXAR Electronix are the original boutique pedal manufacturer, designing and hand building their own innovative electronic circuits in Poland since 1983.
Founded by a pair of electronics engineers and guitar enthusiasts, EXAR quickly grew to a team of 10 who design, manufacture, assemble and test all products in house to the highest quality standards.
All EXAR pedals are guaranteed by an new-for-old policy for 3 years, after which they are covered by a lifelong parts and labour warranty whereby the customer only pays for shipping. How good is that?"
|
KOD / KODA Signal Processing Laboratory (Otwock, Poland)
There was also a Polish brand called KOD (or KODA), which are easily distinguished from the EXAR line of products. The history of this brand seems to be convoluted, and it is a little complicated to describe their product line. It's not clear exactly what time period these are from but it seems that some of these were manufactured in the early 1980s, some around the time of the collapse of the Soviet Union, and some of them after. It is said that the company was founded by Krzysztof Wojtak, it appears some time in the 1970s. Allegedly KOD is an acronym, which stands for Krzysztof obejmuje doskonalosc. This translates to "Krzysztof embraces excellence".
In what I call KOD series 1, I've been able to determine that the following units were offered: CS-01 Compressor, CE-02 Chorus, FL-03 Flanger, DS-04 Distortion, PH-05 Phasing and the OD-09 Over Drive. These were I assume the first KOD pedals released. These have wider enclosures and were in various colors. Likely there are more than just these six units but I don't know what they are. The interesting thing about these is that on one example I've seen there is an Elektronika sticker on the bottom and no KOD markings anywhere on the pedal. Elektronika was the communist blanket brand name for various electronics. Many different factories produced these Elektronika branded products throughout the USSR, and its socialist republics. Anyway, this suggests to me that this line of pedals came from the time before Poland became independent from the Soviet Union in 1989, so technically would be pre-KOD.
At some point in time later, there was a reorganization of model numbers to everything being an "NG-something" with a slight change in the enclosure design. These continued to use the wider type enclosure, and were now branded as KOD. This would be what I call the KOD series 2 pedals. The model numbers were changed to NG-01 Compressor, NG-02 Chorus, NG-04 Distortion Plus, NG-05 Phasing Plus, NG-14 Metal Max, and so on. These are in black enclosures with only the graphics and knob colors changing with each model. I do not know the full product line in this series. It would seem that these are post-1989 products produced by a now privated enterprise.
The KODA KD series pedals were as follows: KD-10 Noise Gate, KD-11 Compressor, KD-12 Limiter, KD-15 Attack Equalizer, KD-19 Dynamic Filter, KD-20 Stereo Phasing, KD-21 Stereo Chorus, KD-22 Chorus, KD-23 Stereo Flanger, KD-24 Flanger, KD-25 Octaver, KD-26 Super Over Drive, KD-28 Distortion Plus, KD-29 Metal Max, KD-30 Trash Metal, KD-31 Metal Master, KD-32 Rocker, KD-34 Classic Fuzz, KD-36 Digital Delay, KD-38 Death Metal, KD-38 Metal Master, KD-40 Lead Master, KD-42 Wah Wah, KD-43 Volume Pedal and a KD-45 Stereo Volume pedal. It seems they quite liked distortion and overdrive pedals! Some models can be found in two different colors. It appears that in the KD series they also had two color schemes. One was unique enclosure colors for each model and the other one was black enclosures for every model with only the graphics and knobs changing color. This must represent two different production runs during two different time periods and follows what companies like Arion were doing at the time. Schematics for any of these pedals seem to be practically non-existent, at least in the places I know where to search.
A few examples of the KODA KD series pedals are shown below. Some of these, such as the green Metal Max, are dated to the mid-1990s.
There were three different enclosure designs, shown below. The first type is wider (KOD series 1) with a small(er) plastic foot switch and were in various colors. The bottom of this example has a sticker on it that says "Elektronika IP-20". The second type is the KOD series 2 (NG product line). These were offered only in black, and only the graphics & knob colors change with each model. These have a larger DOD style plastic foot switch with "KOD" molded into the plastic and used the same wider enclosure. The third type, the KODA KD series is narrower. These seem to vaguely follow the design of the USA made DOD pedals but are not blatant copies like the Russian "Union" pedals. The KODA example shown below, the blue KD-24 Flanger, has the "KODA" trademark molded into the plastic on the footswitch instead of the "KOD" found on the KOD series 2 units, and is now less like the DOD foot switch. Not sure what the story is behind the name change from KOD to KODA. Likely another detail that has been lost to history. I still have lots of questions about these pedals.

So here is my theory about KOD / KODA: Starts out as Elektronika branded products in late 1970s thru the 1980s. Note the intertwined e & e shown on the PCB shown below. It suggests that Exar Electronix may have been the designers of these products, perhaps as sub-contractors. Poland becomes indepedent in 1989 and the company becomes privatized. Needs a name so they come up with KOD (there may have been some sort of partnership with EXAR Electronix?) and they redesign the product line a bit to transform it to the "NG" series. This had mostly do with colors, graphics and the foot switch design. At some point in time later the company gets sold (or declares bankruptcy and re-launches as a new brand under new management, or gets sued by DOD) and now becomes the KODA KD series, keeping the same simple color scheme as the KOD pedals but now using smaller more modern looking enclosures loosely patterned on DOD pedals, then later they changed back to unique colors but kept the product line as the KD series. Perhaps they wanted their products to have the same appeal as Boss and DOD products? Then the company goes out of business at some point (or as some people claim, EXAR acquired KODA and then it went out of business). I go thru this exercise because it seems it could explain all of the design changes, different graphics and color schemes. There were reasons behind these things. Like I said, it's complicated.
I am also trying to figure out why there is an association that is made with EXAR and KOD / KODA. It's my understanding from perusing Russian forums that these were two seperate entities which were not in any sort of partnership. On the other hand, people that live in Poland claim that EXAR took over KODA. Allegedly there is a KODA WW-03 wah pedal with an EXAR PCB inside, but that doesn't necessarily prove a merger between KODA and EXAR. Things like this are probably the source of the confusion. It may also have to do with the name change, which could have happened for reasons other than a company takeover - such as Poland's independence in 1989, and/or mismanagement resulting in some form of bankruptcy / re-organization with resultant re-launch of the company and its products. Looking at all the changes to the product line everything seems to point to cost saving measures rather than a merger between KODA and EXAR. It could also be this rumour is true and the merger eventually killed both manufacturers for various reasons. I don't know exactly the truth of the matter at this point in time. Actually what seems
most likely to me is that KODA products were a colloborative effort with EXAR, in what I see on Russian guitar forums referred to as a "cooperative". This would be two separate entities
working together to design and propagate a product in the marketplace.
|
|
The KOD & KODA trademarks are shown at left. This enterprise was located in Otwock, Poland. This city is about 14 miles southeast from Warsaw. This area of Poland has suffered a lot, with World War II bringing a lot of tragedy to the region.
|
Wait... there's still more that could be added to this list?
There are still some more guitar pedals that could be added but I have not been able to round up enough info on them to include here.
I find it quite interesting the wide range of designs that were offered in the Soviet-era. Some of them are neat and have style. Some of them are just bizarre, which kind of
adds to their to appeal in a
certain way. Also what is interesting is that all of the circuits appear to be somewhat unique - no obvious copying and/or stealing designs from other manufacturers as far
I have been able ascertain. Each factory was tasked with a goal and they all independently came up with their own designs. It is also is interesting to know that these designs were created in a bubble isolated from the west, which exhibit very little or no influence from the western world. Some of them are as weird as the Soviet-era guitars!
Post-Soviet Guitar Effects
In the time period just prior to the collapse of the USSR, and in the post-Soviet 90s, there were many other more modern and conventional looking guitar pedals on the market in Russia et al. Brands such as Lell, Crock, Avia, Sound JS, Venta, AMT Electronics (made in West Siberia) and Gamma (aka Yerasov). A few of the Gamma pedals are shown below. They look to be essentially copies of Boss-Roland products, at least as far as the styling and enclosure design goes. Some appear to be unique designs, such as the FET Color FC-1, which seems to be something like a Boss OD-1 combined with the Boss Slow Gear or something along those lines. The product line of Crock and Sound JS are also heavily influenced by Boss pedals.
In addition to that, around the mid-90s there was a line of guitar pedals made by
"TRIO"
, which were made in the Russian Federation and loosely follow the form factor and graphic design theme of the first editions of the Marshall Guv'nor, Bluesbreaker, etc. It is claimed that users of Trio pedals included Wes Borland (Limp Bizkit), Peter Atanasoff (Tito & Tarantula) and Kim Thayil (Soundgarden). There was a brand made in Moscow, a cooperative called Rostex. It was established in early 90s by Oleg Troitzky, who was one of developers of LELL pedals. His career began as a repairman of electronic musical equipment at the SAM factory (manufacturer of LELL synths and pedals, EFFEKT-1 pedal, etc.) Finally, there was also an obscure line of pedals made by Chief, which were made in Petropavlovsk, Kazakhstan around 1990-91 but the company did not survive beyond the collapse of the USSR.
If you have schematics for any of the pedals shown above which I don't have linked on this page, or for any of the other pedals mentioned on this webpage, please contact me via the email link on my home page! I will add it to this page and give you the credit, if you would like.
Soviet Factory / Trademark Symbols
The world of Soviet factory codes / trademark symbols is vast. There's like literally thousands of them! The links below are by no means an exhaustive list of all of the factory symbols used in the USSR but the info below does cover some of the factories
that made the devices shown on this page. Some of the factory symbols above do not appear in any of these sources, such as Kazan or SAM. I find these factory symbols to be a fascinating
subject by themselves. Every factory had a unique symbol, and some even had multiple symbols for the same factory. It seems that radio factories for the most part did not
produce guitar effects. It appears that primarily computer plants and electro-mechanical plants made guitar effects but some were made in factories that also manufactured radios, or
in some cases, semiconductors. Elektronika branded music related products seem to have been made in a minimum of a half dozen different factories. "Elektronika"
was a Soviet umbrella trademark for various consumer electronics and computers, and was under the control of / directed by the Ministry of Electronic Industry.
Soviet Factory Symbols 1945-2010
Soviet Factory Symbols 1960s-1980s
Soviet Radio Factory Symbols
Soviet Radio Manufacturers (Radio Museum)
Home
|